Stihl HL95 Ignition System Parts

Delivery Order before 4:00pm for next day delivery
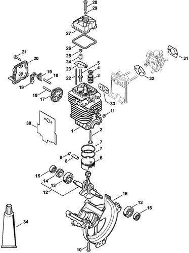
Pic Ref
1
Req'd
1
Brand
Fits
Machine Type
Manufacturer
OEM Number
4180 400 1200
Part Type
Est. 3-6 Working Days
£77.96
Pic Ref
2
Req'd
1
Brand
Stihl
Fits
TS400, FS87, FS90, FS130, HL95, HL100 , HT101, HT131
Machine Type
Disc cutters, Brushcutters, Pole Pruner, Long Reach Hedgecutter
Manufacturer
Stihl
OEM Number
9210 261 1140
Part Type
Genuine
Tick In Stock
£0.88
Pic Ref
3 (Inc 4-6)
Req'd
1
Brand
Fits
Machine Type
q
Manufacturer
OEM Number
4180 400 1308
Part Type
Genuine
Est. 3-6 Working Days
£80.89
Pic Ref
4
Req'd
1
Brand
Stihl
Fits
TS400, TS410, TS420, TS480i, TS500i, TS700, TS800 FS87, FS90, FS100, FS130, FS131, FS240, FS360, FS400, FS410, FS450, FS460, FS490 HS56, HS86 HL92, HL94, HL95, HL100 HT101, HT131 BR350, BR430, BR600 SH56, SH86
Machine Type
Disc cutters, Blowers, Brushcutters, Hedgecutters, Long Reach Hedgecutters, Pole Pruners
Manufacturer
Stihl
OEM Number
0000 998 0604
Part Type
Genuine
Tick In Stock
£1.78
Pic Ref
5
Req'd
1
Brand
Stihl
Fits
BR500, BR600, FS87, FS90, FS100, FS130, HL95, HL100, HT101, HT131
Machine Type
Blowers, Brushcutters, Pole Pruners, Long Reach Hedgecutters
Manufacturer
Stihl
OEM Number
4180 405 1000
Part Type
Genuine
Tick In Stock
£7.59
Pic Ref
6
Req'd
2
Brand
Stihl
Fits
FS87, FS90, FS100, FS130, HL95, HL100, HT101, HT131
Machine Type
Brushcutters, Long Reach Hedgecutters, Pole Pruners
Manufacturer
Stihl
OEM Number
4180 404 9300
Part Type
Genuine
Est. 3-6 Working Days
£1.94
Pic Ref
7
Req'd
2
Brand
Stihl
Fits
BG56, BG86, FS56, FS87, FS90, FS100, FS130, FS131, FS490, HL95, HL100, HS56, HS81, HS82, HS86, HS87, HT101, HT131, SH56, SH86
Machine Type
Blowers, Brushcutters, Long reach hedgecutters, Hedgecutters, Pole pruners, Shredder vacs
Manufacturer
Stihl
OEM Number
9075 478 3018
Part Type
Genuine
Tick In Stock
£1.35
Pic Ref
8
Req'd
1
Brand
Stihl
Fits
BG56, BG86, FS56, FS90, FS100, FS240, FS360, FS87, FS410, FS460, FS490, HL100, HL92, HL94, HL95, HS56, HS81, HS82, HS86, HS87, HT101, SH56, SH86
Machine Type
Blowers, Brushcutters, Long reach hedgecutters, Hedgecutters, Pole pruners, Shredder vacs
Manufacturer
Stihl
OEM Number
9291 021 0100
Part Type
Genuine
Est. 3-6 Working Days
£0.39
Pic Ref
9
Req'd
1
Brand
Fits
Machine Type
Manufacturer
OEM Number
4180 431 2100
Part Type
Est. 3-6 Working Days
£2.74
Total: £0.00
Pic Ref
Req'd

DELIVERY OPTIONS (UK mainland only)

Next Day Delivery*
£11.95 or FREE for orders over £100
Orders placed before 4pm Monday to Friday will be delivered on the next business day.
Orders placed after 4pm on Friday will be delivered the following Tuesday.
*Next day delivery applies to stocked items only. Availability can be found on the product pages.

Premium Delivery*
£27.50 for delivery before 10:30am
£20.00 for delivery before 12:30pm
*Premium delivery applies to stocked items only. Availability can be found on the product pages.

For all other countries, please click here for full delivery information.

**Separate carriage charges apply to bulk products such as 205L barrels.

Customers Also Bought