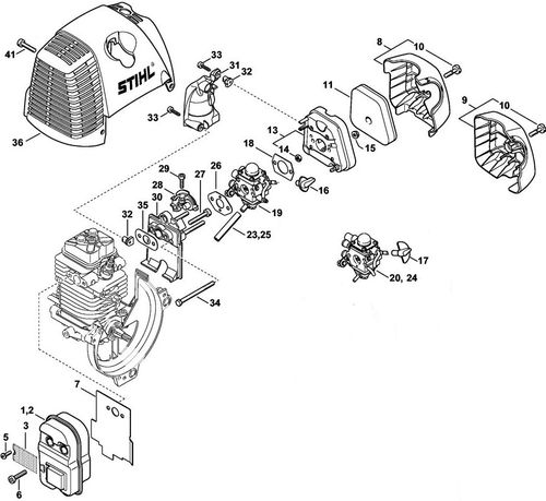
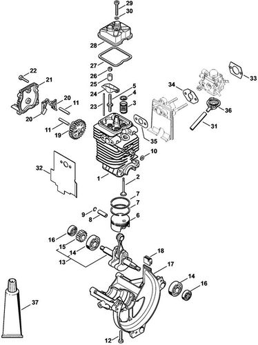
Stihl FS100 Brushcutter Parts

Robust machines for demanding tasks: STIHL Brushcutter are specially designed for hard work on construction sites. The equipment has particularly long maintenance and servicing intervals and uncompromising reliability. HTS are the leading suppliers of both genuine Sthil parts to suit the FS100 Brushcutter parts

  • Stihl FS100 Brushcutters parts
  • Complete range of spares
  • Genuine & Non-genuine parts

Showing 1 to 15 of 25 results